編輯:浙江億核閥門有限公司
日期:2022-06-25 訪問:2521

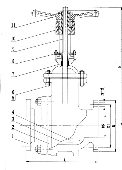
說明
陶瓷排渣閥,又叫陶瓷漿液閥,陶瓷排渣閘閥,是陶瓷閘閥的一種。它的閥體采用碳鋼(WCB)材質,內襯采用ZTA工程陶瓷。主要適用于礦料礦漿和灰渣漿液等介質。驅動方式多樣化,有電動,手動和錐齒輪傳動。連接方式一般采用對夾式連接。按照不同工況,設計成高壓結構,最高壓力可達4.0Mpa.
產品介紹
我公司生產的陶瓷排渣閥適用于灰渣、泥渣、煤漿、礦漿、污水等固體、液固、氣固二相介質輸送系統,尤其適用于火力發電廠水力除渣系統、選礦廠尾礦輸送系統。
性能特點
1、出口部位采用流線型設計,可以有效防止積渣
2、啟閉靈活,密封性能好
3、閘板、閥座、密封面材料采用結構陶瓷制造,耐磨損、耐腐蝕、抗高溫蠕變和熱震性,可實現長壽命免維護
4、采用手動、氣動和電動等傳動方式
雙向分流結構設計,更耐壓
工程陶瓷排渣漿液閥是專門針對固液兩相流工礦介質管道設計制造的,具備關斷或關斷+節流的雙重使用功能,與常規漿液閥相比,更具針對性,更耐壓;
陶瓷排渣漿液閥采用雙面密封、達到雙面耐磨的效果,閥門內腔沖刷過流處襯有陶瓷片,與常規排渣漿液閥相比,更耐磨,耐腐蝕,耐沖擊,使用壽命長;
閥座陶瓷密封環內徑處具有保護唇(專利)結構,可有效防止閥門在即將關閉時硬物從內徑處剪裂陶瓷密封環。
采用手動、電動、錐齒輪傳動等多種驅動方式,滿足不同客戶需求,電動驅動閥門可有效實現遠程控制及開度指示,閥門若節流使用開度遠程調整誤差可控制在1.00mm之內,運行時自鎖性能良好。



浙江億核閥門有限公司 |
|||||||||||||||||||||
|
|||||||||||||||||||||
|
||||||||||||||